最近浏览产品
承插三通
外丝承插直通
外锁式正三通
承插旁通
外锁式弯通
直径20-50mm 异三通

直径20-50mm 异三通价格列表

直径25*20mm-1.0Mpa,¥1.34 元/个
直径32*20mm-1.0Mpa,¥1.82 元/个
直径32*25mm-1.0Mpa,¥2.20 元/个
直径40*20mm-1.0Mpa,¥3.16 元/个
直径40*32mm-1.0Mpa,¥3.76 元/个
直径40*25mm-1.0Mpa,¥3.30 元/个
直径50*20mm-1.0Mpa,¥4.30 元/个
直径50*25mm-1.0Mpa,¥4.64 元/个
直径50*32mm-1.0Mpa,¥5.22 元/个
直径50*40mm-1.0Mpa,¥5.70 元/个
咨询电话:18910559187,产品购买询价:向灌溉商城咨询产品价格
产品详情

名称:异三通

承压等级:【1.0MPa】

颜色:灰色

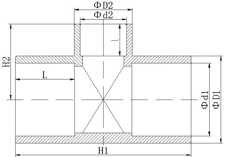
产品规格图解:

 

其中“ΦD1”表示管件主管口公称外径,“Φd1”表示管件主管口公称内径,“ΦD2”表示管件支管口公称外径,“Φd2”表示管件支管口公称内径,“L”管件主管口承插长度,“l”表示管件支管口承插长度,“H1”管件长度,“H2”表示管件中心距,1.0MPa=10公斤

 
产品包装介绍:PVC-U管件是一种硬质聚氯乙烯材料,它是由聚氯乙烯树脂与稳定剂、润滑剂等以一定的比例混合注塑成型的。产品外表光滑,符合GB/T10002.1-2006的标准。

 
异三通的特点及用途: 

1.产品经过热塑处理,最高可在流体温度60C°的环境下正常工作。

2.主要用于不同口径管材之间的连接,管道分支(主支管道口径不同)时使用。

3.管件的连接采用胶粘式,便于安装,密封性可靠。

4.管件长时间使用内壁不结垢、不阻塞,更卫生。

※若购买此种管件用于管材连接,需同时购买相配套的PVC胶水(胶合剂),具体安装方式及注意事项详见《粘接式PVC管件安装方法》。

首页 - 公司介绍 - 帮助 - 联系我们   京ICP备12045252号
地址:北京市昌平区兴寿镇西新城村上西路东侧-兴寿老年公寓对面(北京鑫城缘果品合作社东北角)
服务时间:9:00—18:00 联系电话:400-807-1226